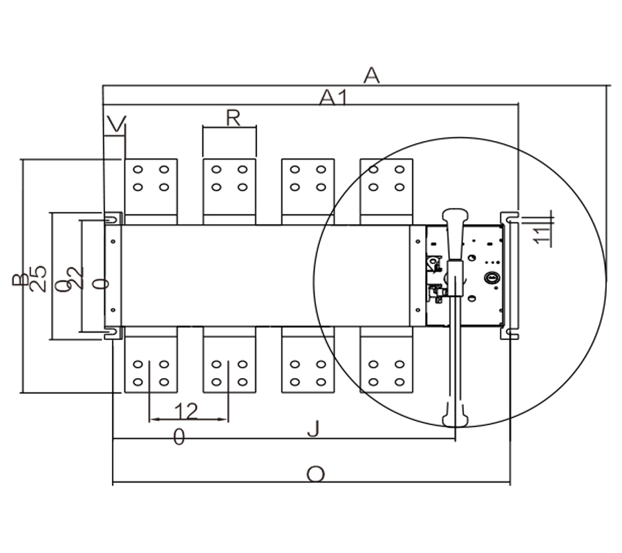
| Specification | Total size | Switch installation | Connection termina | |||||||||||||||||||||||
|---|---|---|---|---|---|---|---|---|---|---|---|---|---|---|---|---|---|---|---|---|---|---|---|---|---|---|
| A | A1 | B | B1 | C | E | G | H | J | K | L | M | N | P | R | S | S1 | T | T1 | U | V | φX | Y | Y1 | Y2 | ||
| 16~100A Two input and one output | 270 | 245 | 110 | 103 | 170 | 142 | 115 | / | 226 | 84 | 7 | 44 | 81 | 30 | 14 | 18 | 23 | 2.5 | 5 | 103 | 12 | 6 | 40.5 | 92 | 67.5 | |
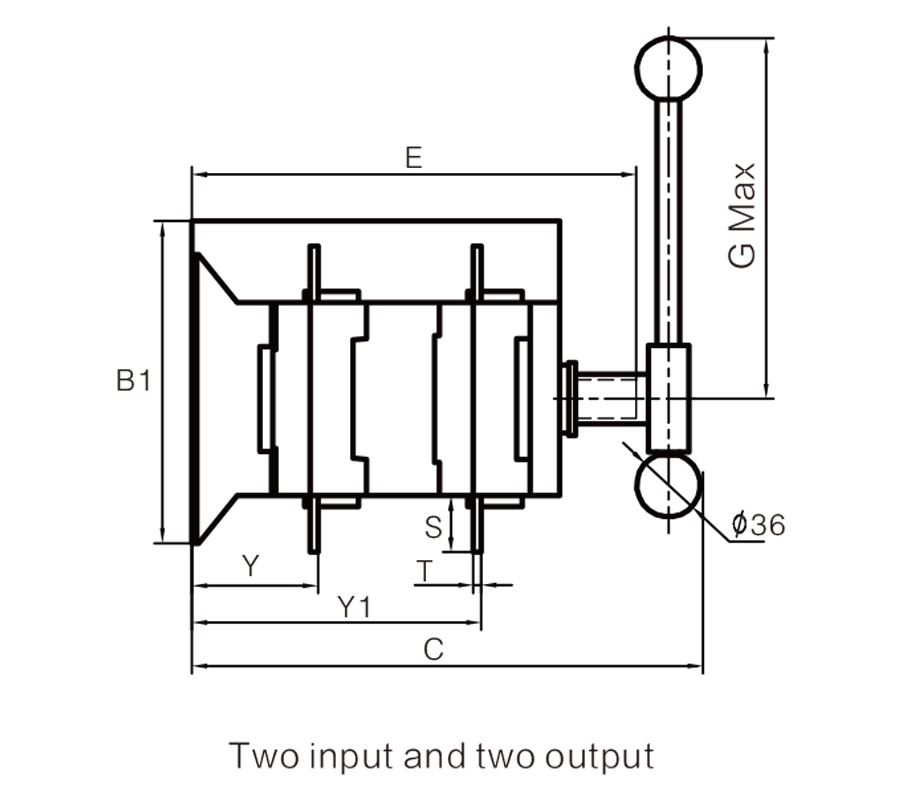
| 16~100A Two input and two output | 270 | 245 | 110 | 103 | 170 | 142 | 115 | 19 | 226 | 84 | 7 | 44 | 81 | 30 | 14 | 18 | / | 2.5 | / | 103 | 12 | 6 | 40.5 | 92 | / | |
| 125~160A | 383 | 305 | 135 | 135 | 224 | 190 | 145 | 10 | 283 | 102 | 7 | 49 | 91 | 36 | 20 | 25 | / | 3.5 | / | 127.5 | 19 | 9 | 56 | 127.5 | / | |
| 250A | 411 | 368 | 159 | 142 | 224 | 190 | 145 | 6 | 347 | 102 | 7 | 49 | 91 | 50 | 25 | 29 | / | 3.5 | / | 141.5 | 28 | 11 | 56 | 130 | / | |
| 400A/3P | 530 | 372 | 234 | 222 | 305 | 268 | 245 | 20 | 354 | 179 | 9 | 96 | 91 | 65 | 32 | 37 | / | 5 | / | 222 | 38 | 11 | 82.5 | 192.5 | / | |
| 400A/4P | 590 | 435 | 234 | 222 | 305 | 268 | 245 | 20 | 414 | 179 | 9 | 96 | 91 | 65 | 32 | 37 | / | 5 | / | 222 | 38 | 11 | 82.5 | 192.5 | / | |
| 630A/3P | 525 | 374 | 250 | 222 | 305 | 268 | 245 | 20 | 354 | 179 | 9 | 96 | 91 | 65 | 40 | 45 | / | 6 | / | 222 | 38 | 12 | 83 | 193 | / | |
| 630A/4P | 590 | 435 | 250 | 222 | 305 | 268 | 245 | 20 | 414 | 179 | 9 | 96 | 91 | 65 | 40 | 45 | / | 6 | / | 222 | 38 | 12 | 83 | 193 | / | |
| 800~1000A/3P | 785 | 520 | 328 | 250 | 390 | 326 | 360 | 16 | 496 | 220 | 11 | 115 | 84 | 120 | 60 | 64 | / | 8 | / | 250 | 61.5 | 13 | 109 | 254 | / | |
| 800~1000A/4P | 1080 | 635 | 328 | 250 | 390 | 326 | 540 | 16 | 610 | 220 | 11 | 115 | 84 | 120 | 60 | 64 | / | 8 | / | 250 | 61 | 13 | 109 | 254 | / | |
| 1250A/3P | 785 | 520 | 336 | 250 | 390 | 326 | 360 | 20 | 496 | 220 | 11 | 115 | 84 | 120 | 80 | 68 | / | 8 | / | 250 | 61.5 | 13 | 109 | 254 | / | |
| 1250A/4P | 1080 | 634 | 336 | 250 | 390 | 326 | 540 | 20 | 610 | 220 | 11 | 115 | 84 | 120 | 80 | 68 | / | 8 | / | 250 | 60 | 13 | 109 | 254 | / | |
| 1600A/3P | 785 | 520 | 336 | 250 | 390 | 326 | 360 | 20 | 496 | 220 | 11 | 115 | 84 | 120 | 80 | 68 | / | 10 | / | 250 | 61.5 | 13 | 110 | 255 | / | |
| 1600A/4P | 1080 | 634 | 336 | 250 | 390 | 326 | 540 | 20 | 610 | 220 | 11 | 115 | 84 | 120 | 80 | 68 | / | 10 | / | 250 | 60 | 13 | 110 | 255 | / | |
The Load busbar of two input and two output switch are same as Main power busbar and Standby power busbar.
2000A~320 0A
2000A~3200A
| Specification | A | A1 | B | C | G | J | O | R | S | T | V | Y1 | Y2 | Y3 |
|---|---|---|---|---|---|---|---|---|---|---|---|---|---|---|
| 2000A/3P | 785 | 535 | 423 | 560 | 360 | 408 | 490 | 80 | 81 | 10 | 30 | 113 | 121 | 113 |
| 2000A/4P | 1080 | 650 | 423 | 560 | 540 | 523 | 605 | 80 | 81 | 10 | 30 | 113 | 121 | 113 |
| 2500A/3P | 785 | 535 | 433 | 560 | 360 | 408 | 490 | 80 | 81 | 15 | 30 | 118 | 116 | 118 |
| 2000A/4P | 1080 | 650 | 433 | 560 | 540 | 523 | 605 | 80 | 81 | 15 | 30 | 118 | 116 | 118 |
| 2500A/3P | 785 | 535 | 443 | 560 | 360 | 408 | 490 | 80 | 81 | 20 | 30 | 118 | 111 | 123 |
| 2000A/4P | 1080 | 650 | 443 | 560 | 540 | 523 | 605 | 80 | 81 | 20 | 30 | 123 | 111 | 123 |